36V通用型电动车无刷控制器电路剖析
一、概述
电动车无刷控制器不仅控制无刷电机启动运转和调速,还要向其提供三相互为 1200的交流脉冲作为驱动电源。虽然无刷控制器电路较多,但组成基本一致,主要由稳 压电源、信号处理芯片、驱动电路,以及3组• 大功率MOS管组成,如图1所示。稳压电 源将+36V或48V电压稳压成+15V、+5V或 其他低压,作为控制器中各Ic的工作电压; 信号处理芯片根据转把及闸把信号,输出相 应的上三路和下三路MOS管驱动信号;驱 动电路则将驱动信号整形放大,以保证大功 率MoS管深度导通与截止。
无刷控制器的电路主要有两大类:一是 以摩托罗拉专用集成电路MC3303x系列为 主组成;二是用MCU单片作主芯片,通过 编程来满足需要。目前,市场产品以前者为 主。下面以一款36V通用型电动车无刷控制器为例进行介绍。该控制器实物如图2所 示。实绘电路及实测数据见本书第357页。
二、电路分析
1.稳压电路 :该控制器的稳压电路如图3所示(图中 元件位号为自编号)。其电路较简单,采用电 阻降压、稳压二极管稳压,此方式已被越来 越多的无刷控制器所采用。 由于该控制器采用了无刷电机专用控 制芯片MC33035,加之驱动电路供电由 NE555升压后供给,所以对稳压电源的输出 功率要求较低,采用稳压二极管稳压即能满 足需求。 电池电压+36V一路经R1降压‘、.c1滤 波后得到约+14.4V电压,为MC33035DW 及过流、欠压检测IC(LM358)供电;另一路 经R.2、I)4、C2稳压至6.5V,为转把及霍尔 供电(此电压在控制器所附的接线说明图中 标注为5V,但实测为6.5V)。另外,此电源中 31.6V的取法较特殊,利用稳压二极管D3 的稳压特性,将R3和D4上的电压稳压 为+31.6V,作为NE555的供电电源。图中 D1为防反接二极管,防止因电池正负极连 接错误损坏电路。 值得一提的是,该电路中的稳压二极管 的型号标注分别为4744.、4743、4735,其实测 稳压值分别为14.4V、12.2V、6.5V。此类稳压 二极管标注不同于常规标法,难以通过型号 得知其稳压值。实修中,可换用相同或相近 稳压值的稳压二极管,但功率应不小于1W。
说明:图3中所标电压为外加+33.2V 直流电源时的实测值.下同。
2.升压电路:在讲升压电路之前,有必要说明为何要 设升压电路。由于新型无刷控制器的桥式功 率管(上管及下管)无一例外地使用了大功 率的N沟道MOS管(即NMOS管),而 NMOS管的深度导通条件是G、S极间电压 应大于10V。从上管与下管的连接关系可 知.当上管导通后,其S极电压等于电源电 压。此时,若要使上管深度导通,则需在其G 极加上高于电源电压10V的电压。为此,电 路中应设有升压电路或自举电路,以保证加 在上管G极的电压高于电源电压10V以上。
本控制器的升压电路以NE555为核心 组成,电路如图4所示。
这里用时基电路NE555构成振荡器。 图中C14为振荡电容,R1 5为放电电阻, Ikl4与R15串联为充电电阻。 加电瞬问,+31.6V电压一路经R14、 R15给C14充电;另一路经D6、D5给C12 I充电。当NE555①脚电压升至约20V时,以 I NE555为核心构成的无稳态振荡器:【作,③ l-输出脉冲.在输出为低电平期间,+31.6V I电压经D6给c3充电,c3右端电位高于左 I端.当c3两端电位差约15V时,NE555③ I膏输出高电平,c3左端电位为+31.6V。此 I;{I},C3右端电位约为31.5V+1 5V,D6截止, i D5导通,C12 f二端电压很快升至46.5v。升压电压输出的+46.5V电压用于驱动三相 桥式功率开关管的上管c •
3. 信号处理电路:该控制器的信号处理电路如图5所示。 电路采用高性能第二代单片无刷电机控制 芯片MC33035。该IC内含正确整流时序的 转子位置译码器,频率可编程的锯齿波振荡 器及误差信号放大器等电路,并具有欠压锁 定、过流/过热关断等功能。
提示:MC33033、MC33034、MC33035等 为系列同类产品,MC33034在国外应用最 普遍,国内则较多地采用MC33035,它们的 功能和组成大同小异,只是MC33034简化 了MC33035中部分辅助功能引脚,并采用 双列DS0-20脚塑封。
(1)关键引脚介绍 接通电源后,MC33035∞脚为A、B、 C相位置传感器输入,IC内部电路根据此 三脚电平的高低,译码输出正确时序的A、 B、c上下驱动信号,分别从②、⑨、①、⑩、 @、⑩脚输出。 ’
MC33035⑧脚为参考电压输出端,其电 压值为6.25V。该电压一方面作为MC33035 ⑩脚外接振荡定时电容的充电电源,另一方 面作为LM358的②、⑤脚的基准电压。
MC33035的⑧脚为内部误差信号放大 ‘器反相输入端,其电位高低将决定A、B、C 输出脉冲的占空比,即电机的转速。此脚外 接刹车把和调速把。刹车时,刹车蓝线与地 线短接,MCl 13035的⑩脚电压被拉低至 0V,无驱动脉冲输出;调速时,转把的调速 电压(TS)经R6加到MC33035的⑨脚。转 。动调速把,TS电压不同,MC33035将据此 输出不同占空比的脉冲,达到调速的目的。MC33035的④脚为600/1200相角无刷 电机控制选择端。高电平时控制600电机,低 电平时控制1200电机。在更换控制器时,无 刷控制器相角必须和无刷电机相角一致,否则电机不会转动。
MC33035的④脚为输出使能端,低电平时允许电机运行,高电平时电机停止运 行。部分控制器该脚外接刹车信号,将此脚 作为刹车控制端。
(2)过流及欠压保护
MC33035⑦脚为输出使能端,高电平时 电机转动。LM358@脚外接由康铜丝做成的 O.01fl过流检测电阻。桥式功率驱动电路的 工作电流在此电阻上形成的电压作为过流 检测信号,从LM358@脚输入,作为反相输 人信号,而⑧脚的同相输入信号由 MC33035⑧脚输出的基准电压经R3、R4分 压所得。正常工作时,⑤脚电压高于⑥脚电 压,LM358⑦脚输出高电平,D2截止,不拉低MC33035⑦脚电压。若输出过流时,rM358@脚电压将高于⑤脚电压,LM358(D 脚输出低电平,D2导通,使MC33035@脚 也是低电平,电机停转,达到过流保护的目 的。
电池电压经R1、R2分压后加到LM358 ③脚,作为同相输入信号,MC33035⑧脚输 出的6.25V基准电压直接加到LM358的② 脚,作为反相输入信号。电池电压为36V时, LM358⑧脚电压约7.2V,高于②脚电压, LM358④脚输出高电平,D4截止,不影响 MC33035的工作状态;当电池电压下降至 31 V时,LM358⑧脚电压将低于6.25V, LM358q)脚输出低电平,D4导通,MC33035 的@脚电压降至近0V,电机停转,以防止蓄 电池过度放电o
4.后级驱动电路
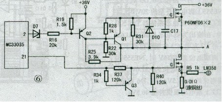
无刷电机控制器设有A、B、C三组驱动 电路,其电路连接关系相同。下面以A相驱 动为例加以介绍。

A相驱动电路如图6所示。图中Q2、 R19、R16、稳压管D7组成电子开关电路。 以NE555为核心的升压电路输出的+46V 电压加到Q2的发射极。当MC33035@脚输 出低电平时,在I)7的稳压作用下,D7负端 电压为31V,Q2导通,+46V电压经Q2e-c 结、R18加至A相驱动上管的G极,使此管 深度导通;当MC33035②脚输出高电平时. 等效于悬空状态,D7负端电压等于+46V,Q2 截止.A相上端管因无GS偏压而截止。
一旦电子开关Q2由导通变成截止, Q2 C极电压降至0V,Q1由截止转为导通, 迅速释放驱动上管导通时G—S极间电容所 储存的电荷,使上管迅速可靠地截止。
当MC33035的⑧脚输出高电平时,A 组驱动下管导通。同样,Q3作用是为了泄放 下管导通时G-S极间的储存电荷,使下管 迅速可靠地截止。
需要说明的是,A、B、C三相驱动的六 只驱动管中,某一时刻只能有两只导通,并 且同组中的两只不可能同时导通。这六只管 子的导通时序由MC33035根据输入的霍尔 信号及无刷电机相角决定。